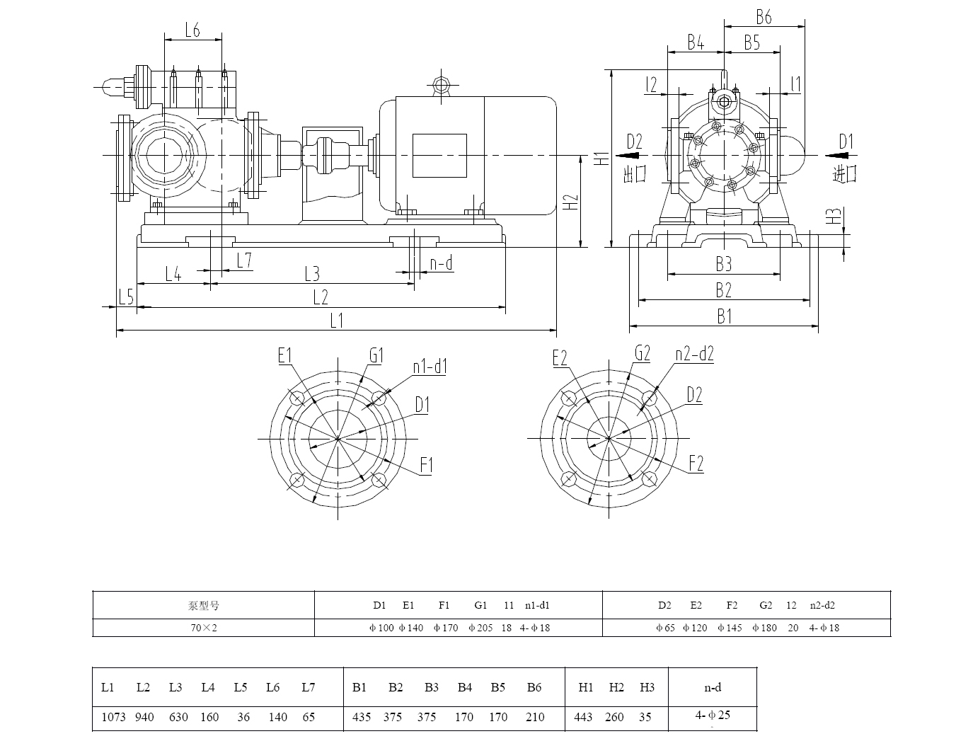
3GR70*2W2三螺杆泵配Y7.5KW-4安裝尺寸圖-遠東泵業
总(zong) 公 司急(ji) 速 版WAP 站(zhàn)H5 版无线(xian)端AI 智能(néng)3G 站4G 站5G 站(zhàn)6G 站
·
·
·
·